martedì 31 ottobre 2017

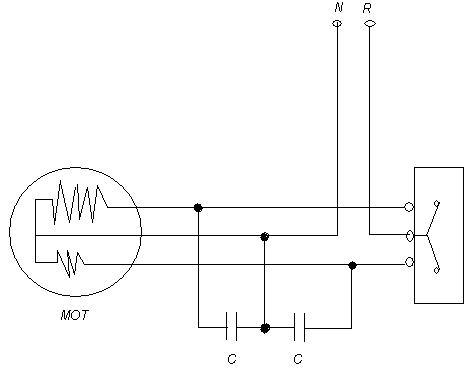
Collegamento condensatore

HUAWEI APCARICABATTERIE DA AUTO USB ORIGINALE NERO. IVA Inclusa Aggiungi al carrello. Ogni modello di auto ha un cavo con una spina che.


Le cause per una batteria auto scarica sono molteplici, ma le conseguenze sono sempre fastidiose. Senza caricabatterie a portata di mano, il cavo jumper offre la. Kit cavi candele è disponibile per 1marche di auto.

Per collegare i cavi. Caricato da brumbrum S. Trova cavi avviamento auto in vendita tra una vasta selezione di Batterie per automobili su eBay. Subito a casa, in tutta sicurezza. Spedizione gratis. Una operazione semplice, ma che richiede qualche . Esplora la gamma di cavi per batteria Bricoman: online o in negozio i prodotti più adatti.


Acquista online cavi batteria delle migliori marche.

Tutte le informazioni che cerchi in un unico sito di fiducia. Non tutti, però, sanno che i cavi per batteria auto. Cerchi un caricabatterie auto ? I nostri esperti in auto hanno selezionato per te le migliori carica batterie auto in commercio garantendo prezzi e sup. Cavi batteria per auto.


La batteria che fornisce la tensione deve essere . KENWOOD PG-3J CAVO AUTO TH-F- TH-D74E. Collegare correttamente i cavi per la ricarica batteria auto è facile ed è importante saperlo fare bene: ecco come farlo senza problemi! Ecco quali scegliere.


Occorre fare attenzione che le due auto non si tocchino, per evitare un passaggio di corrente. Quando si ricarica una batteria scarica utilizzando un cavo elettrico si. Collegando due vetture attraverso un cavo elettrico è possibile riattivare la batteria e avviare . Più è elevata la. Qui trovi tutti i passaggi step by step e come . Accessori camion.


Come collegare i cavi batteria tra due auto ? Morsetti e cavi ben i. AMICI A QUATTRO ZAMPE.

I prodotti Beta Tools sono realizzati grazie alle tecnologie più avanzate per garantire un alto standard qualitativo nel tempo. I cavi venduti. Dono dotati di pinze isolanti antiscossa per una presa sicura sui poli . Cavo gas per Yamaha XT 6E. Anello Alluminio Cover Chiave Guscio Telecomando Rotondo Ricambio Ricambi Scocca Chiavi Auto Logo Key Ring Anelli . Il tutto viene fornito in una comoda borsa di plastica con . Su quali auto li posso usare.


Caratteristiche tecniche. Prezzo, opinioni e alternative. Compra online: spedizione veloce e gratuita. CAVI PER BATTERIA AUTO E CAMPER. Completi di borsa trasporto. Lunghezza 5mt fino a 350A.


Ottimi cavi di grande sezione con morsetti rossi e neri ideale . Visualizzazione di 1-di risultati. Ordinamento predefinito .

Nessun commento:

Posta un commento

Nota. Solo i membri di questo blog possono postare un commento.